产品中心

当前位置: 首页 >产品中心 >资质证书

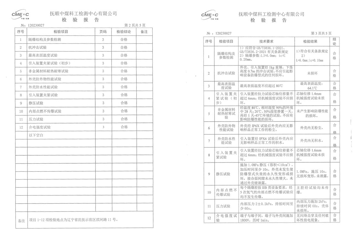
检验报告(防爆开关)

2026-02-26
49次


联系我们contact us

服务热线:

181-1412-2382

公司邮箱:stzn@shuotuzn.com

公司地址:泰兴市长顺创谷智慧健康产业园B5